Welcome,
My Cart
0 item(s)

Models

Parts


product name

Ace by MTD 120-280R033 (71342) (1990) Self-Propelled Walk-Behind Mower

Model: 120-280R033 (71342) (1990)

Save
Part Not Listed?Part Not Listed?

product name

Parts05

...
...
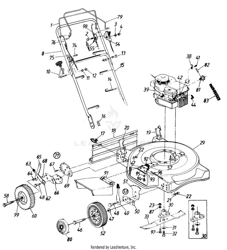
1
Hex Wash. Hd. Tap Scr. 1/4-20 x .75" Lg. MTD-710-0642

...
2
DRIVE PINION MTD-931-0908

...
5
Hex Flange Brg. .504" I.D. MTD-741-0503

...
6
SUPPORT-BEARING MTD-17018

...
7
FLANGE BEARING MTD-741-0504

...
8
SPRING WASHER BELL MTD-736-0270

...
9
LINK 4.58" LG. MTD-14760A

...
10
DRIVE ENGAGEMENT CAM MTD-16832

...
11
HEX NUT 5/16-18 MTD-712-3010

...
12
Lock Wash. 5/16" I.D. MTD-936-0119

...
13
TORSION SPRING (RH) MTD-732-0569

...
xx
TORSION SPRING (LH) (Not Shown) MTD-732-0570A

...
14
Shoulder Bolt .437" Dia. MTD-738-0754

...
15
SCREW 1/4-14 x .625 MTD-710-0892

...
16
L-Wash. 1/4" I.D. MTD-936-0329

...
17
HEX NUT 1/4-20 MTD-912-0287

...
18
DRIVE SHAFT ASSEMBLY MTD-738-0732

...
19
Fl-Wash. .531" I.D. x .93" O.D. MTD-736-0160

...
20
Hex Bolt 3/8-16 x .5" Lg. MTD-710-0168

...
21
L-Wash. 3/8" I.D. MTD-736-0169

...
22
PIVOT BRACKET (RH) MTD-17614

...
23
ARM-ENGAGEMENT MTD-16756

...
24
Hex Bolt 1/4-20 x .62" Lg. MTD-710-0258

...
25
REAR PINION PIVOT COVER MTD-17726

...
28
PIVOT BRACKET (LH) MTD-17613

...
29
SCREW 1/4-14 x .625 MTD-710-0892

...
30
BRACKET-AXLE BEARI MTD-17017

...
31
HOLD DOWN-BARREL (RH) MTD-746-0606

...
32
Hex B-Tap Scr. #10 x .44" MTD-710-0919

...
33
Shoulder Nut.825 x .165 Lg. MTD-938-0529

...
34
Truss Mach. B-Tap Scr. #10 x .5" Lg. MTD-710-0351

...
35
Hex B-Tap Scr. #10 x .38" MTD-910-0429

...
36
SPRING-CANTILEVER MTD-732-0634

...
37
CHAIN TENSIONER MTD-731-1136

Parts06

...
...
1
CONTROL HANDLE ASSEMBLY MTD-747-0748

...
2
Hex Bolt 1/4-20 x 1.75" Lg. MTD-710-0136

...
3
Spring Wash. .265 I.D. x .562 O.D. MTD-936-0175

...
4
HEX NUT 1/4-20 MTD-912-0287

...
8
UPPER HANDLE MTD-749-0756

...
10
SCREW-RECOIL HANDLE GUIDE MTD-710-0842B

...
11
Lock Wash. 5/16" I.D. MTD-936-0119

...
12
HEX NUT 5/16-18 MTD-712-3010

...
13
BOLT-CARRIAGE-CURV 5/16-18 x 1.38 MTD-710-0671

...
14
Cable Tie MTD-725-0157

...
15
Lower Handle MTD-749-0928A-0637

...
16
Hairpin Cotter MTD-714-0104

...
17
HINGE CLIP MTD-17098P

...
18
Rear Flap MTD-731-0872B

...
19
BRACKET ASSEMBLY-H MTD-17189

...
20
BRACKET ASSY-HDLE-RH MTD-17188

...
21
BELL WASHER MTD-936-0356

...
22
Hex Nut 3/8-16 Thd.* MTD-712-0798

...
23
Hex Nut 3/8-24 Thd. MTD-712-0241

...
29
DECK ASSEMBLY-22IN MTD-97046

...
30
Blade Adapter Kit MTD-753-0484

...
31
Bell-Wash..39" I.D. MTD-736-0452

...
32
Hex Bolt 3/8-24 x 1.5" Lg. MTD-710-1044

...
33
22" BLADE MTD-742-0522

...
38
CASING CLAMP MTD-12894A

...
39
Engine MTD-NA

...
41
Hex B-Tap Scr. #10 x .38" MTD-910-0429

...
42
CLAMP-CONDUIT MTD-751-0369

...
43
Hex AB-Tap Scr. #8 x 38" Lg. MTD-710-0227

...
44
INSULATOR-SPARK PLUG (Optional) MTD-735-0639

...
46
Front Axle Bolt MTD-738-0102

...
47
Bell-Wash. .400" I.D. x .88" MTD-736-0105

...
48
Shld. Bolt .50" Dia. x .357" MTD-738-0507B

...
49
Front Spring Lever MTD-94832

...
50
Pivot Bar MTD-15262B

...
51
Height Adjustment Plate MTD-787-01290A

...
52
Front Wheel Ass'y. Comp. MTD-NA

...
xx
WHEEL ASSEMBLY W/TIRE MTD-734-1174A

...
xx
Wheel - LH MTD-734-1855

...
xx
8 x 1.75-STEEL RIM MTD-734-1162

...
53
Height Adj. Ass'y. Comp. (R.H.) MTD-753-06761

...
xx
Height Adj. Ass'y. Comp. (R.H.) (Not Shown) MTD-753-06761

...
54
Throttle Control Ass'y. Comp.- 0 51 .6211 MTD-946-0802A

...
55
Control Cable 39" MTD-946-0550

...
57
Hex L-Wash. Hd. Scr. 3/8-16 x 1.0" Lg. MTD-710-0654A

...
58
Rear Axle Bolt MTD-738-0102

...
60
Rear Wheel Ass'y. Comp. MTD-NA

...
xx
WHEEL ASSEMBLY W/TIRE MTD-734-1174A

...
xx
Wheel - LH MTD-734-1855

...
xx
8 x 1.75-STEEL RIM MTD-734-1162

...
62
SPRING LEVER MTD-732-0417A

...
63
HEIGHT ADJUSTMENT KNOB MTD-731-13116-1

...
64
Fl-Wash. .531" I.D. x .93" MTD-736-0192

...
65
LINK 4.58" LG. MTD-14760A

...
66
BAR-PIVOT (RH) *ON MTD-14765

...
xx
BAR-PIVOT (LH) *ON (Not Shown) MTD-14766

...
67
SCREW 1/4-14 x .625 MTD-710-0892

...
68
Bell-Wash. .380" I.D. x .88" MTD-736-0105

...
69
Index Plate MTD-14764C

...
71
ADJUSTER-H MTD-16106

...
xx
ADJUSTER-H (Not Shown) MTD-16107

...
74
Hex Wash. AB-Tap Scr. 5/16 x.75" Lg. MTD-710-0726

...
75
CABLE BRACKET MOUNTING MTD-16309A

...
76
CLUTCH CABLE W/SPRING-32" MTD-746-0628

...
79
CONTROL HANDLE ASSEMBLY MTD-747-0749A

...
80
Hub Cap (Optional) MTD-NA

...
xx

...
xx

...
xx
HUB CAP-BLACK MTD-731-0354

...
xx
HUB CAP-GRAY MTD-731-0355A

...
81
SPROCKET-10T MTD-713-0308

...
82
SPRING PIN MTD-715-0247

...
83
#48 CHAIN 1/2 PITCH x 50 LINKS (Endless) MTD-913-0311

...
87
L-Wash. 3/8" I.D. MTD-736-0169

...
91
CHUTE DEFLECTOR MTD-931-1034B

...
92
Torsion Spring MTD-932-0593

...
93
PLATE-ADAPTER MTD-17032A

...
94
Hex Self-Tap Scr. 1/4-20 x .5" Lg. MTD-710-0599

...
95
SPRING WASHER BELL MTD-736-0270

...
96
Hinge Pin MTD-747-0710A

...
97
Hex Bolt 3/8-24 x 1" Lg. MTD-710-1055

...
98
BRACKET-CA MTD-17173

...
99
Fl-Wash. .531" I.D. x .93" MTD-736-0192
...
...
...
...
...
Processing