Welcome,
My Cart
0 item(s)

Models

Parts


product name

7800690SN Briggs and Stratton - 107.280070, ZTS7000, 285Z, 26HP w/52" Mower Deck (2011)

Model: 7800690SN

Back To Assemblies

Save
Part Not Listed?Part Not Listed?
product name

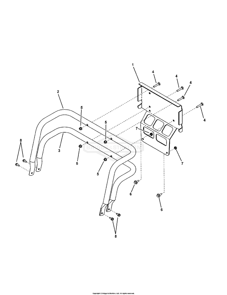
Rear Bumper Assembly

...
...
1
PLATE, Brand BS-7301121BMYP

...
2
TUBE, Bumper, Upper BS-7301123BMYP

...
3
TUBE, Bumper, Lower BS-7301124BMYP

...
4
BOLT,RD SH SQ BS-703175

...

...
6
BOLT, Shoulder BS-1716654SM

...
7
NUT, Hex Flange Whiz-Lock, 5/16-18 BS-703330

...
8
SCREW, 5/16-18 X .75 BS-703228
...
...
...
...
...
Processing