Models
Parts
Model: 7800690SN
52" Deck Lift Group - Electric Height of Cut
52" Mower Deck - Housing Group
52" Mower Deck - Idler Group
52" Mower Deck - Spindle Group
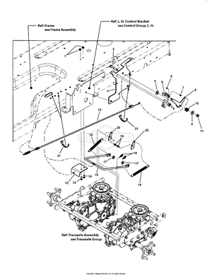
Control Group - Left Hand
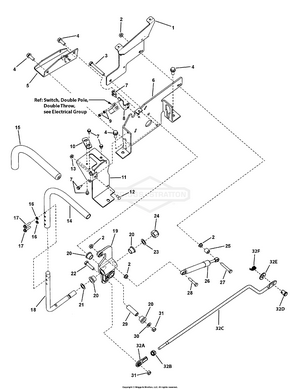
Control Group - Right Hand with Electric Height of Cut
Decals
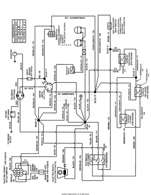
Electrical Group
Engine Group - B&S V-Twin
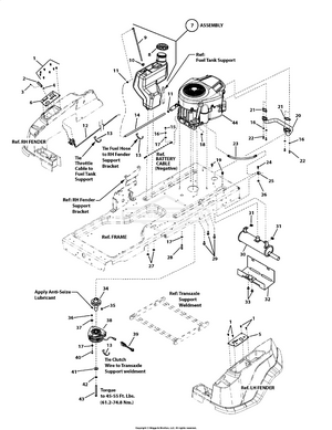
Fender Group
Frame Assembly
Front Axle Group - RZT
Park Brake Group - RZT
Rear Bumper Assembly
Seat Group, Sliding
Transaxle Group - EZT
Wheel & Tire Group
Wiring Schematic
Model: 1AHF08390
In Stock
Replaced By :
Please call us at 866-243-2721 or talk with us by sending us more information. We want to verify availability before placing your order.
For Customer Service inquiries please E-mail info@partswarehouse.com, Call 866.243.2721 or Text 972.383.9129
Mon - Sat 7AM - 7PM CT
Mon - Sat 6AM-2AM CT
Track your order
Reviews
FAQs
Price Match Guarantee
Sign in for faster checkout.