Welcome,
My Cart
0 item(s)

Models

Parts


product name

7800690 Briggs and Stratton - 107.280071, ZTS7000, 285Z, 26HP w/52" Mower Deck (2011)

Model: 7800690

Back To Assemblies

Save
Part Not Listed?Part Not Listed?
product name

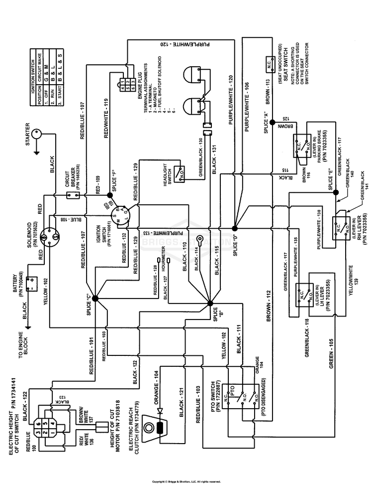
Wiring Schematic

...
...
...
...
...
...
Processing