Welcome,
My Cart
0 item(s)

Models

Parts


product name

7800505 Briggs and Stratton - 309007x66A, 10.5HP w/30" Mower Deck, CE (2009-10)

Model: 7800505

Back To Assemblies

Save
Part Not Listed?Part Not Listed?
product name

Steering

...
...
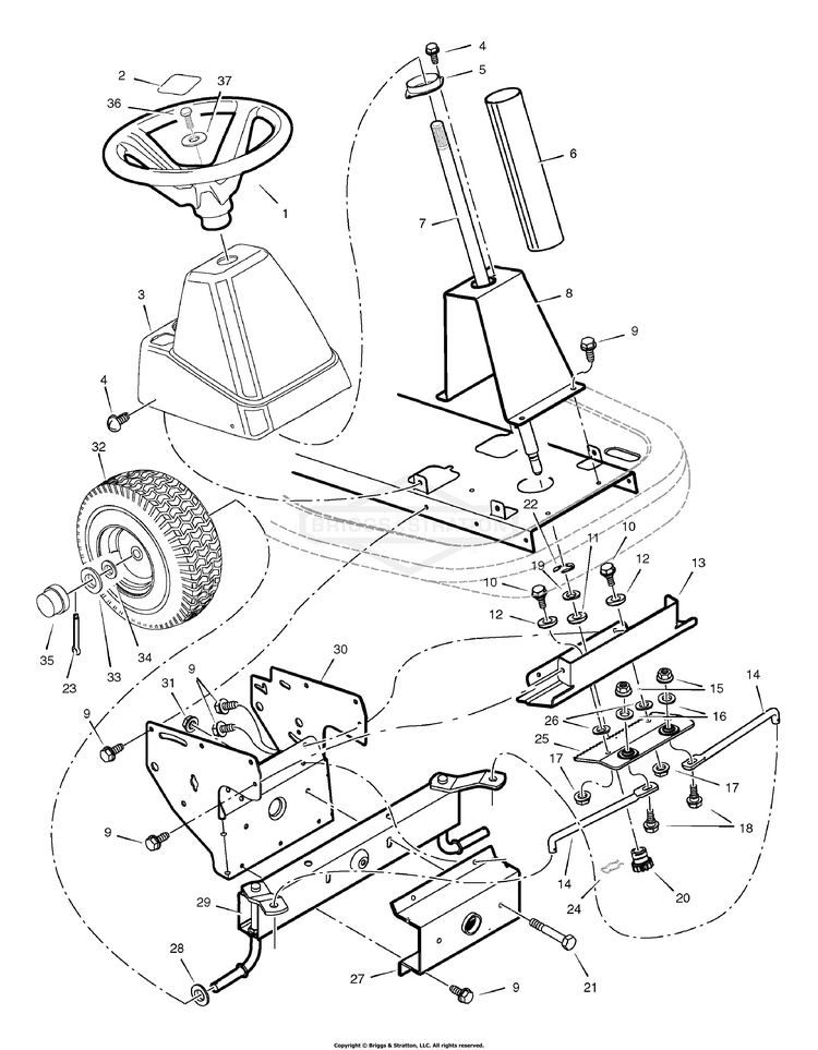
1
WHEEL, Steering BS-1001980MA

...
2
INSERT, Steering BS-1001982MA

...
3
CONSOLE, Low (Black) BS-1401044MA

...
4
SCREW, #10-16X.625 BS-703994

...
5
BEARING, Upper Steering BS-1401090MA

...
6
TUBE, Steering BS-1401107MA

...
7
SHAFT, Steering BS-1401100MA

...
8
SUPPORT, Steering BS-1401055E701MA

...
9

...
10
BOLT, Shoulder BS-009X67MA

...
11
BEARING, Lower Steering BS-1401098MA

...
12

...
13
PLATE, Gear Mounting BS-1401058E701MA

...
14

...
15
NUT, CNTR LCK, 3/8-16 BS-703893

...
16
WASHER, FLAT BS-710083MA

...
17
NUT, HEX FLNG,5/16-18 BS-704067

...
18
CAPSCREW,3/8-16X1.5 BS-703406

...
19

...
20
GEAR, Pinion BS-1401099MA

...
21
BOLT, Hex BS-01X146MA

...
22
E-RING, Retainer BS-011X23MA

...
23
PIN, Cotter BS-030X35MA

...
24
RETAINER, Spring BS-094131MA

...
25
RACK, Steering BS-1401046E701MA

...
26

...
27
BRACKET, Axle Front BS-1401376E701MA

...
28

...
29
AXLE & SPINDLE ASSEMBLY BS-1401250E701MA

...
30
BRACKET, Support BS-885036ZYP

...
31
NUT, 5/16-24 Hex Flange Lock, BZ BS-704279

...
32
WHEEL ASSY - FRONT ME BS-1401381601MA

...
33

...
34

...
35
HUB CAP BS-094618MA

...
36
Screw, Hex BS-0025X3MA

...
37
WASHER, 5/16 x 1-1/4 OD BS-1933468SM
...
...
...
...
...
Processing