Welcome,
My Cart
0 item(s)

Models

Parts


product name

2691079-01 Briggs and Stratton - RZT26520, 26HP 52" Briggs and Stratton Zero Turn Rider (2012)

Model: 2691079-01

Back To Assemblies

Save
Part Not Listed?Part Not Listed?
product name

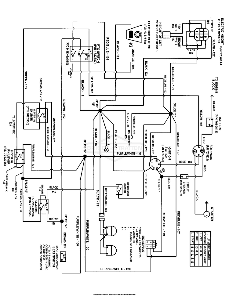
Wiring Schematic (5366wsche)

...
...
--
HARNESS, Wiring BS-7103412YP
...
...
...
...
...
Processing