Models
Parts
Model: 2691079-01
52" Mower Deck - Housing Group (7501702BI)
52" Mower Deck - Idler Group (7501581)
52" Mower Deck - Spindle Group
52" Mower Deck Lift Group - Electric Height-Of-Cut (7501576)
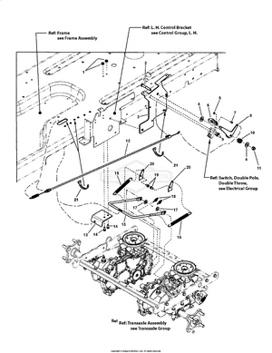
Control Group - Left Hand (7502144)
Control Group - Right Hand with Electric Height of Cut (7502145)
Decal Group
Electrical Group, RZT (7501704)
Engine Group - B&S, 26HP, V-Twin
Fender Group (7501679dev)
Frame Assembly, RZT (7501700)
Front Axle Group, 150Z/RZT (7501589)
Park Brake Group (7501572)
Rear Bumper Assembly (7501811)
Seat Group, Sliding (7501578)
Transaxle Group, RZT (7502214dev)
Wheel & Tire Group (W7501567)
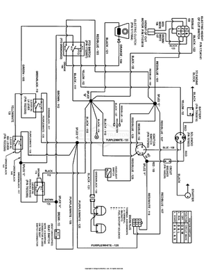
Wiring Schematic (5366wsche)
Model: 1AHF08390
In Stock
Replaced By :
Please call us at 866-243-2721 or talk with us by sending us more information. We want to verify availability before placing your order.
For Customer Service inquiries please E-mail info@partswarehouse.com, Call 866.243.2721 or Text 972.383.9129
Mon - Sat 7AM - 7PM CT
Mon - Sat 6AM-2AM CT
Track your order
Reviews
FAQs
Price Match Guarantee
Sign in for faster checkout.