Welcome,
My Cart
0 item(s)

Models

Parts


product name

2690514 Briggs and Stratton - 107.277680 - ZTS 7500, 19HP w/42" Mower Deck (2005)

Model: 2690514

Back To Assemblies

Save
Part Not Listed?Part Not Listed?

product name

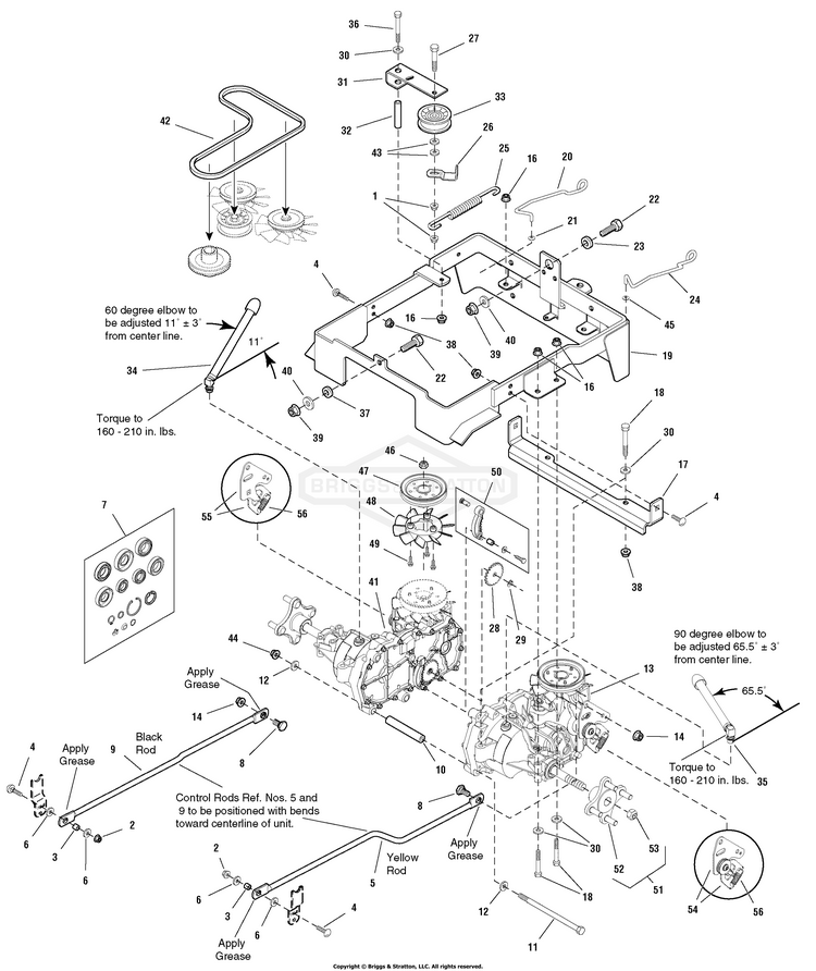
Carrier & Transmission Group

...
...
1
NUT, 3/8-16 HEX NYLOCK BS-5025394SM

...
2
NUT, Hex KEPS, Conical Washer, 5/16-18 BS-703222

...
3

...
4
BOLT, 5/16-18X1.25 G5 BS-703446

...
5
ROD, Control, L.H. BS-1727555SM

...
6
WASHER, 5/16 BS-703298

...
7
HYDRO SEAL KIT BS-1728060SM

...
8
BOLT, Shoulder, 7/16-14, G5 BS-1727831SM

...
9
ROD, Control, R.H. BS-1727556SM

...
10

...
11
CAPSCREW, Hex Head, 7/16-14 x 8, G5 BS-2860398SM

...
12
WASHER, 7/16 ID X.065 BS-703183

...
13
TRANSAXLE, Hydro Gear, LH BS-7104656YP

...
14
NUT-HEX FLANGE 7/16-1 BS-1930650SM

...
16

...
17
SUPPORT, Center Transmission BS-1727464ASM

...
18
CAPSCREW,5/16-18X2.75 BS-703869

...
19
FRAME ASSEMBLY, Carrier Transmission BS-1732595ASM

...
20
ROD, Actuator, R.H. E-Coat BS-1727767SM

...
21
CLIP, Rod End Clevis L.H. BS-1725550SM

...
22
CAPSCREW, Hex Head, 1/2-13 x 1-1/4, G5 BS-1921176SM

...
23

...
24
ROD, Actuator, L.H. BS-1727766SM

...
25
SPRING ANCHOR KIT BS-1687303SM

...
26
GUARD, Belt BS-1677135ASM

...
27

...
28
GEAR, Parking Brake, Transmission BS-1728076SM

...
29
CLIP, E Transmission Parking Brake BS-1716622SM

...
30
WASHER, 5/16 BS-1919326SM

...
31
ARM, Idler BS-1715971ASM

...
32
SPACER-0.323IDX0.555O BS-1713588SM

...
33
PULLEY, IDLER BS-1721133SM

...
34
KIT, Breather 60 Degree Elbow BS-1731909SM

...
35
KIT, Breather 90 Degree Elbow BS-1731908SM

...
36

...
37

...
38
NUT, 5/16-18, GR5 BS-703409

...
39
NUT-HEX FLANGE 1/2-1 BS-1930644SM

...
40
WASHER, FLAT BS-703451

...
41
TRANSAXLE, EZT, RH BS-7104657YP

...
42

...
43
WASHER, FLAT BS-703878

...
44
NUT, Hex Centerlock Jam, 7/16-14 BS-1960734SM

...
45
CLIP, Rod End Clevis R.H. BS-1717024SM

...
46
NUT, Hex Head Center Lock BS-1930633SM

...
47
PULLEY, 4.5", Transmission BS-1728073SM

...
48
FAN, 6", Transmission BS-1728074SM

...
49
BOLT, GR5, 1/4X.0750 BS-703466

...
50
PARKING BRAKE ARM ASSEMBLY, Transmission L.H. or R.H. BS-1728075SM

...
51
HUB REPLACEMENT KIT BS-1687283SM

...
52
HUB REPLACEMENT KIT BS-1687283SM

...
53
NUT, EZT Transmissions BS-1733871SM

...
54
ARM, Control Kit L.H. BS-1735490SM

...
55
ARM, Control Kit R.H. BS-1735491SM

...
56
SPRING, Extension BS-1735483SM
...
...
...
...
...
Processing