Models
Parts
Model: 2690429
44" & 50" Mower Deck - Clutch & Support Group
44" & 50" Mower Deck - Height Adjustment Group
44" & 50" Mower Deck - Housing & Arbor Group
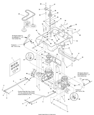
Carrier & Transmission Group
Controls Group
Decals Group
Electrical Group
Engine Group - 22HP Briggs & Stratton
Frame, Body & Seat Group
Wheels & Tires Group
Model: 1AHF08390
In Stock
Replaced By :
Please call us at 866-243-2721 or talk with us by sending us more information. We want to verify availability before placing your order.
For Customer Service inquiries please E-mail info@partswarehouse.com, Call 866.243.2721 or Text 972.383.9129
Mon - Sat 7AM - 7PM CT
Mon - Sat 6AM-2AM CT
Track your order
Reviews
FAQs
Price Match Guarantee
Sign in for faster checkout.