Models
Parts
Model: 253417-0527-99

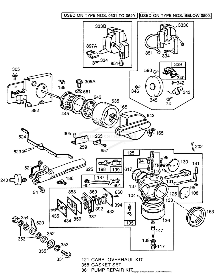
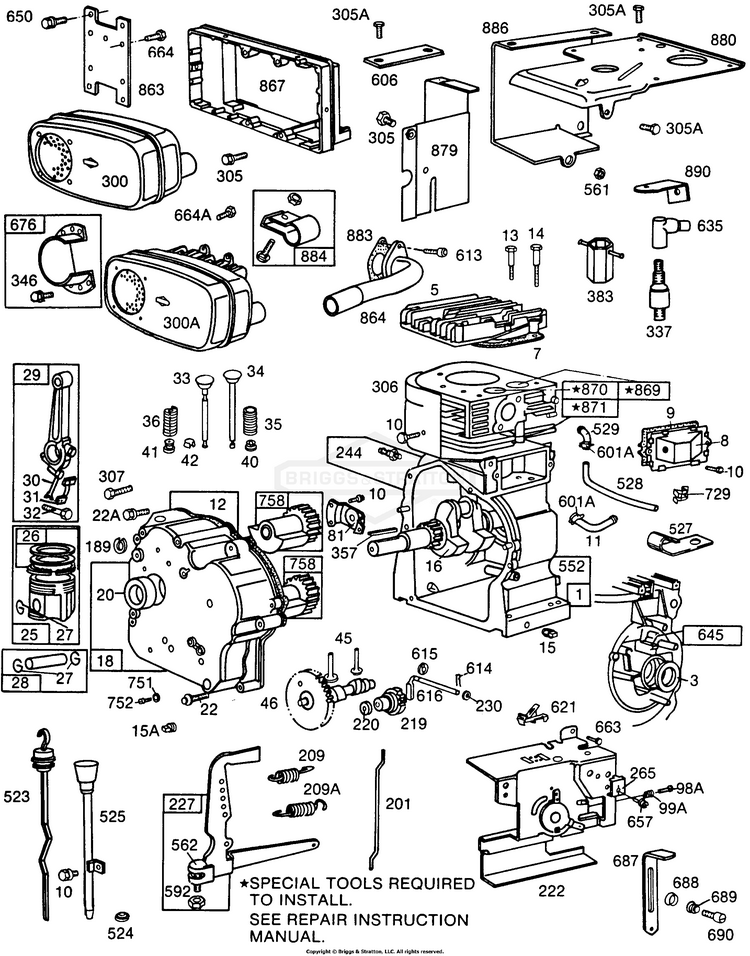
No Parts Available for this Schematic