Models
Parts
Model: 195436-0731-01
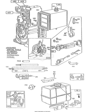
Alternator Chart, Elect Starter
Blower Hsg, Rewind, Flywheel
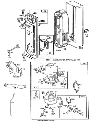
Carburetor & Air Cleaner Assy
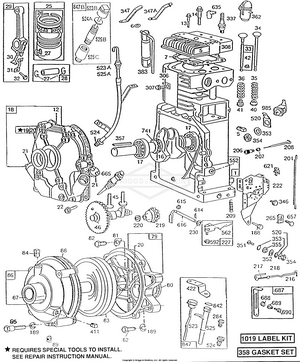
Cyl,Muffler,CrnkCse,Gear Cse
Electric Starter and Chart
Electric Starter,Starter Control
Fuel Tanks, Oil Gard, Hoses
Mufflers, Carburetor, A/C Grps
Sno-Gard, Fuel Primer Assy
Replacement Engine - US & Canada
Model: 1AHF08390
In Stock
Replaced By :
Please call us at 866-243-2721 or talk with us by sending us more information. We want to verify availability before placing your order.
For Customer Service inquiries please E-mail info@partswarehouse.com, Call 866.243.2721 or Text 972.383.9129
Mon - Sat 7AM - 7PM CT
Mon - Sat 6AM-2AM CT
Track your order
Reviews
FAQs
Price Match Guarantee
Sign in for faster checkout.