Welcome,
My Cart
0 item(s)

Models

Parts


product name

1696253-00 Briggs and Stratton - BL924R, 9TP 24" Dual Stage Snowthrower (CE) (2012)

Model: 1696253-00

Back To Assemblies

Save
Part Not Listed?Part Not Listed?

product name

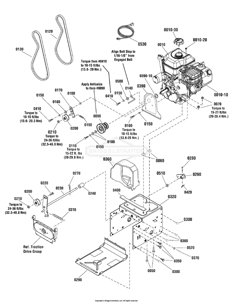
Engine & Frame Group

...
...
0010
* ENGINE, 8TP Briggs & Stratton, Domestic (Engine Model: 12A107-0169-F8) BS-12A107-0169-F8

...
0010
* ENGINE, 9TP Briggs & Stratton, Export (Engine Model: 12D106-0168-F8) BS-12D106-0168-F8

...
0010-10
GUARD, Muffler, Plate (Domestic Models only) BS-797003

...
0010-10
GUARD, Muffler, Wire (Export Models Only) BS-793193

...
0010-20
SCREW, Muffler Guard BS-699854

...
0010-30
CAP, Fuel Tank BS-795027

...
0050
BOLT, 5/16-18X1.5 BS-703296

...
0060
NUT,SPEED BS-028X76MA

...
0070
NUT, 5/16-18, GR5 BS-703409

...
0090
PULLEY, Engine BS-1501109MA

...
0100
WASHER, 5/16 BS-703298

...
0110
SCREW, 5/16-24X1 3/4 BS-703299

...
0120
BELT, DRIVE BS-1733324SM

...
0130
BELT, Auger Drive, 4L 38.17 BS-1751417YP

...
0140
BELT GUIDE BS-1739070YP

...
0150
WASHER, 5/16" LOCK BS-5025170SM

...
0160
CAPSCREW, 5/16-24X.75 BS-703336

...
0170
KIT, IDLER ASEM BS-1687797YP

...
0180
BUSHING,IDLER BRKT BS-1501065MA

...
0190
SPRING,EXT IDLER 8-13 BS-165X164MA

...
0200
IDLER, Plastic Ball Bearing BS-1502120MA

...
0210
NUT, 3/18-16, GR2 BS-703230

...
0220
CARRIAGE BOLT, 3/8-16 x 1-1/4, G5 BS-1960268SM

...
0230
AUGER IDLER BS-1752397YP

...
0240
SPACER/AUGER BRKT BS-1501200MA

...
0260
ARM, Control BS-1733451SM

...
0270
PIN, 3/32 X 1.6 BS-703300

...
0280
PIN, CLEVIS, ZINC BS-703313

...
0290
COVER, Bottom BS-1753969BMYP

...
0300
SCREW, 1/4-20X0.625 BS-703054

...
0310
SPRING, Extension, Auger BS-165X159MA

...
0320

...
0350
SCREW, 5/16-18 X .75 BS-703228

...
0360
COVER, Belt BS-1753893YP

...
0370
SCREW, 1/4-20 X 3/4 BS-1751355YP

...
0390
PLATE, SEAL BS-1733868BMYP

...
0390-10
SEAL, Foam BS-1733898SM

...
0400
STRIP, Seal BS-1750172YP

...
0410
BOLT, HEX, 5/16-24X1 BS-703301

...
0420
PIN, Cotter, Self Lock, 1/4 BS-7023590SM

...
0500
WASHER, 5/16 BS-703302

...
0510
WASHER BS-703128

...
0520
WASHER, Internal Tooth, 1/4 BS-7091890SM

...
0530
CORD, Electric, 10FT. 110V (Domestic Models only) BS-6219MA
...
...
...
...
...
Processing