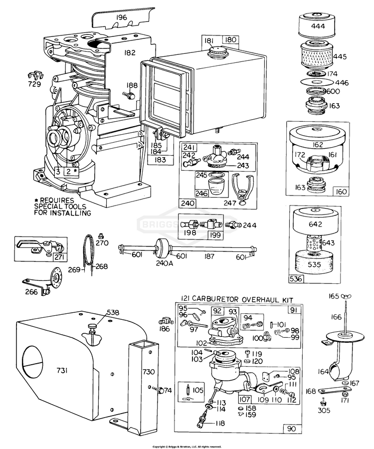
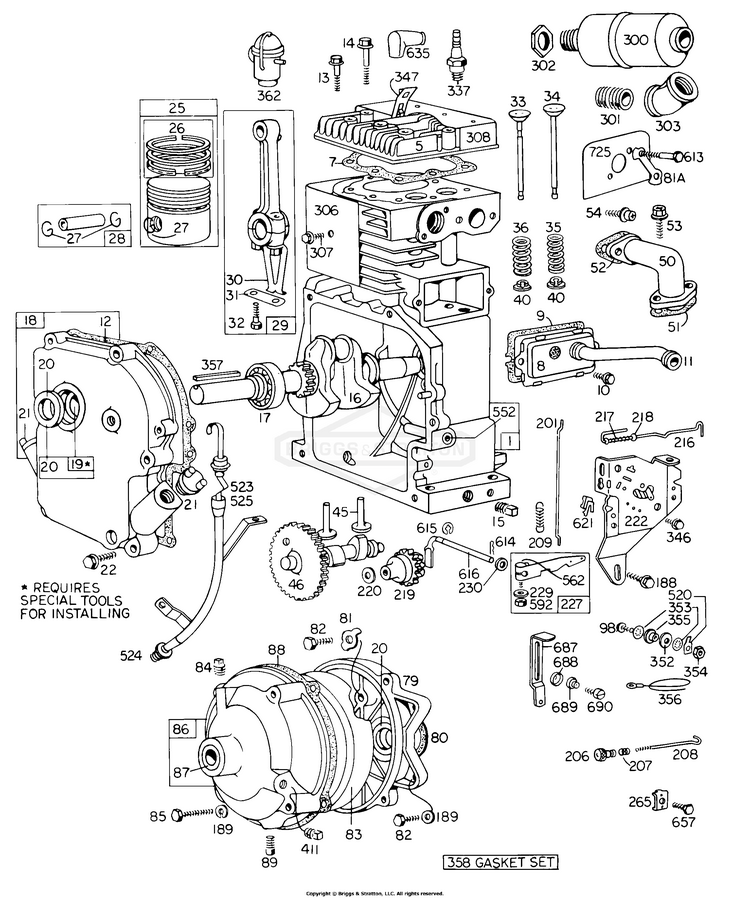
Models
Parts
Model: 146407-1213-99

No Parts Available for this Schematic