Welcome,
My Cart
0 item(s)

Models

Parts


product name

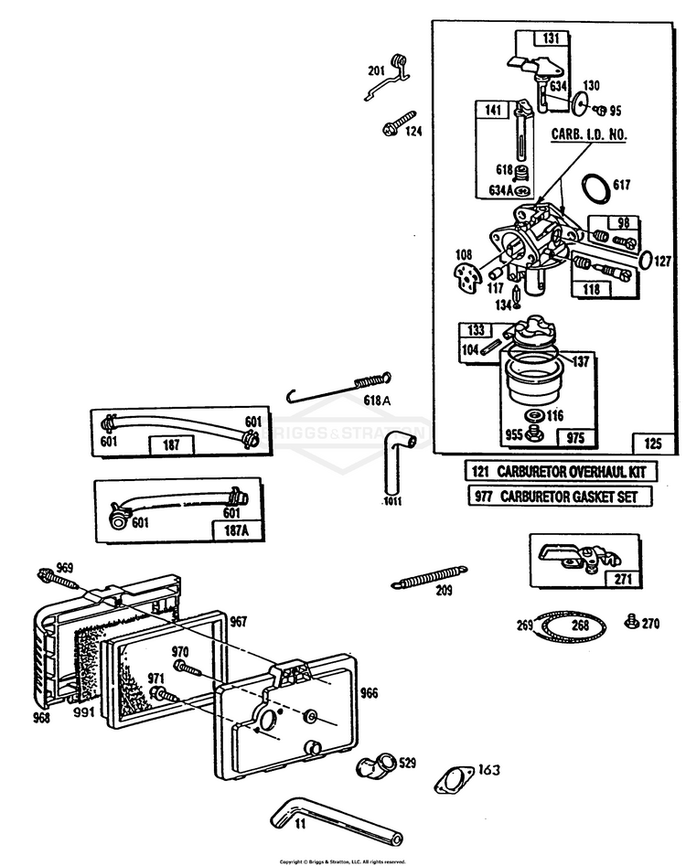
110787-3093-01 Briggs and Stratton Engine

Model: 110787-3093-01

Back To Assemblies

Save
Part Not Listed?Part Not Listed?

product name

Carburetor, Air Cleaner Grp

...
...
11
TUBE, Breather BS-231392

...
95
SCREW (Throttle Valve) BS-691636

...
98
KIT-IDLE SPEED (Idle Speed) (Lmt 26, 27, 28, 31) BS-398185

...
104
PIN, Float Hinge Included in Carburetor Overhaul Kit-See Ref. No. 121 BS-797622

...
108
VALVE-CHOKE BS-691182

...
118
VALVE, Needle (Lms 1,2) See Carburetor Illustration for Location of LMS I.D. Number Included in Carburetor Overhaul Kit-See Ref. No. 121 BS-398157

...
118
KIT-IDLE MIXTURE (Lms 3,4,5,7,10) Included in Carburetor Overhaul Kit-See Ref. No. 121 BS-493765

...
118
KIT-IDLE MIXTURE (Lms 11,12,m26) Included in Carburetor Overhaul Kit-See Ref. No. 121 BS-493765

...
121
KIT, Carburetor Overhaul (Lms 1,2) BS-494349

...
121
KIT, Carburetor Overhaul (Lms 3,4) BS-494349

...
121
KIT, Carburetor Overhaul (Lms 5,7,10) See Carburetor Illustration for Location of LMS I.D. Number BS-494349

...
121
KIT, Carburetor Overhaul (Lms 11,12,13,14,15,m26) BS-498260

...
124
SCREW (Carburetor) BS-691688

...
125
CARBURETOR (LMS-1, LMS-3, XXX1, & Xxx3) Used Before Code Date 87081700 BS-492498

...
125
CARBURETOR (Lms 10) BS-492496

...
125
CARBURETOR (LMS-1, LMS-3, XXX1, & Xxx3) Used After Code Date 87081600 BS-492545

...
125
CARBURETOR (Lms 11) BS-492545

...
130
VALVE-THROTTLE BS-691181

...
131
SHAFT, Throttle Used Before Code Date 87081700 BS-398673

...
131
SHAFT, Throttle Used After Code Date 87081600 BS-491333

...
133
FLOAT-CARBURETOR BS-398187

...
134
KIT-NEEDLE/SEAT Included in Carburetor Overhaul Kit-See Ref. No. 121 BS-398188

...
141
SHAFT, Choke BS-398186

...
163
GASKET, Air Cleaner BS-272296

...
187A
LINE, Fuel BS-791744

...
187
GASKET, Breather Passage (Cylinder To Impulse Pump)(Cut To Required Length) BS-791760

...
201
LINK, Choke Used After Code Date 87081600 BS-262430

...
209
SPRING, Governor (3000 To 3200 RPM) BS-261105

...
209
SPRING, Governor (2800 To 3000 RPM) BS-261106

...
268
CASING, Control Wire (Cut To Required Length) BS-691025

...
269
WIRE, Control (Cut To Required Length) If longer wire is needed, specify length in inches; if shorter wire is needed, order No. 26099 and cut to required length. BS-26634

...
270
NUT (Control Wire Casing) BS-691027

...
271
LEVER, Control BS-691028

...
529
GROMMET (Breather) BS-280524

...
601
CLAMP, Hose (Green) BS-791850

...
617
SEAL, O-Ring (Intake Manifold) Included in Carburetor Overhaul Kit-See Ref. No. 121 Included in Carburetor Gasket Set-Part No. 398183 BS-270344S

...
618A
SPRING, Choke Return (Choke Return For Snap-Over Choke) BS-260870

...
618
SPRING, Choke Return BS-262035

...
955

...
966
BASE, Air Cleaner BS-399038

...
967
FILTER-A/C CARTRIDGE BS-397795S

...
968
COVER, Air Cleaner BS-280501

...
969

...
970
SCREW (Tapping) BS-691637

...
971
SCREW (Air Cleaner Base) BS-692523

...
975
BOWL, Float BS-796611

...
977
KIT, Carburetor Overhaul BS-498260

...
977
KIT, Carburetor Overhaul (Lms 11) BS-498260

...
991
FILTER, Pre Cleaner BS-399039

...
1011
TUBE, VENT BS-280786
...
...
...
...
...
Processing