Models
Parts
Model: 110787-3093-01
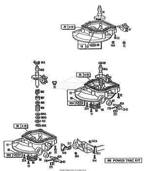
(3)Sump Bases,Right Angle Dr
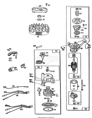
Blower Hsgs,Rewind,Brake
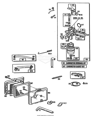
Carburetor, Air Cleaner Grp
Cylinder,Mufflers,Piston Grp
ElectricStarter,Rewind,Wires
Fuel Tank Assy, Control Brkt
Replacement Engine - US & Canada
Model: 1AHF08390
In Stock
Replaced By :
Please call us at 866-243-2721 or talk with us by sending us more information. We want to verify availability before placing your order.
For Customer Service inquiries please E-mail info@partswarehouse.com, Call 866.243.2721 or Text 972.383.9129
Mon - Sat 7AM - 7PM CT
Mon - Sat 6AM-2AM CT
Track your order
Reviews
FAQs
Price Match Guarantee
Sign in for faster checkout.