Models
Parts
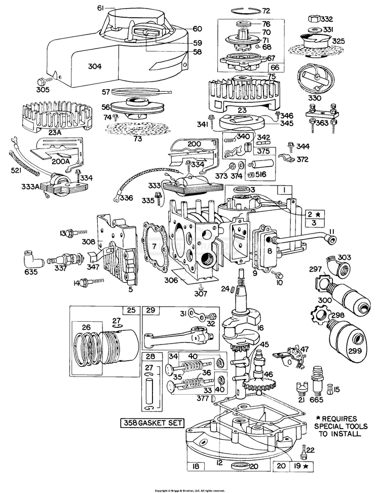
Model: 080992-9450-35

No Parts Available for this Schematic