Welcome,
My Cart
0 item(s)

Models

Parts


product name

074010-0 Briggs and Stratton Air Compressor 11.0 CFM 8 Gal

Model: 074010-0

Save
Part Not Listed?Part Not Listed?
product name

Air Compressor

...
...
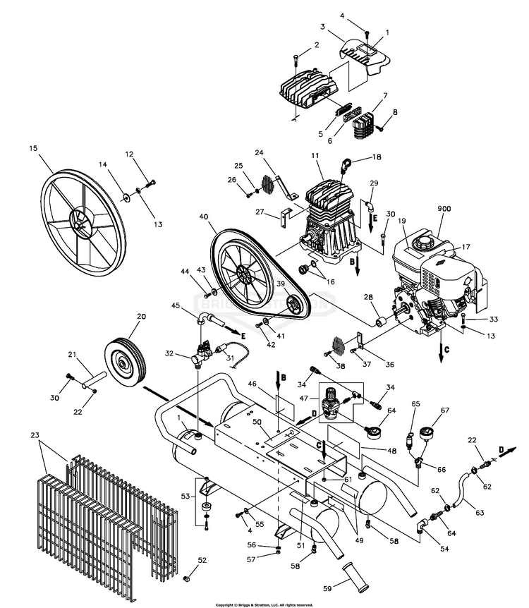
1
Decal, Hot Surface BS-199175GS

...
3
Conveyor, Air BS-200699GS

...
5
Plate, Filter BS-201389GS

...
6
Element, Filtering BS-200697GS

...
7
Filter, Intake BS-201390GS

...
9

...
10
Kit, Valve Plate Set BS-201382GS

...
11
Assy, Pump BS-201400GS

...
15
Flywheel BS-200702GS

...
16
Oil Level Sight Glass BS-200686GS

...
17
Decal, Warning, Hot Muffler BS-200538GS

...
18
Plug, Breather Pipe BS-201398GS

...
19
Decal, Warning, Fuel Vapors BS-200537GS

...
20

...
21
Pin, Wheel BS-201062GS

...
23
Guard, Belt BS-200696GS

...
24

...
27

...
28

...
29
Connector, Elbow BS-201404GS

...
31
Accelerator, Pneumatic BS-201060GS

...
32
Valve, Auto Unloading BS-201064GS

...
34
Coupler, Quick Connect BS-200677GS

...
35
Guage, Pressure BS-201420GS

...
36

...
39

...
40

...
45
Infeed Tube BS-201063GS

...
46
Decal, Warning BS-199173GS

...
47
Assy, Pressure Reducer BS-201413GS

...
48
Decal, Warning BS-200535GS

...
49
Decal, Tank Drain BS-199739GS

...
50
Decal, Starting Instructions BS-200775GS

...
51
Decal, Warning, Moving Parts BS-200536GS

...
52
Clamp, Belt Guard BS-201409GS

...
53
Kit, Vibration Mount Includes Qty Of 2 BS-192310GS

...
54
Connector, Elbow BS-201419GS

...
58
Tap, Discharge BS-200675GS

...
59
Handle, Rubber BS-201411GS

...
60
Fitting, Hose Tail BS-201408GS

...
63

...
64
Fitting, Hose Tail BS-201417GS

...
65
Valve, Safety BS-201414GS

...
66
Adapter BS-201416GS

...
67
Guage, Pressure BS-201415GS

...
xx
Manual, Operator's Parts Not Illustrated BS-203721GS

...
xx
Decal, Unloader Valve Parts Not Illustrated BS-200774GS

...
xx
Oil, Compressor Parts Not Illustrated BS-201770GS

...
xx
Kit, Decal, Srv Parts Not Illustrated BS-203245GS

...
xx
BOTTLE, Oil Parts Not Illustrated BS-100005
...
...
...
...
...
Processing