Welcome,
My Cart
0 item(s)

Models

Parts


product name

073006-0 Briggs and Stratton Water Pum WPH2-65, SCH4070BS

Model: 073006-0

Save
Part Not Listed?Part Not Listed?
product name

High Pressure Pump

...
...
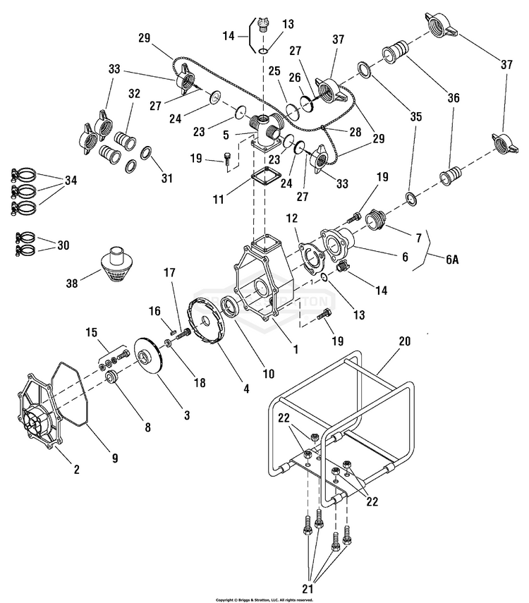
1

...
2
*COVER, Casing BS-200 201 040

...
3
*IMPELLER BS-200 210 200

...
4
*DIFFUSER BS-200 210 410


...
6
*VALVE CASE BS-200 200 540

...
7
*FITTING PIPE BS-200 500 240

...
6A
*VALVE CASE ASSEMBLY BS-202 200 160

...
8
*MECHANICAL SEAL BS-201 100 031

...
9
*PACKING, Casing BS-200 900 350

...
10
*PACKING, Inner Casing BS-200 900 240

...
11
*PACKING, Bend BS-200 900 170

...
12
*CHECK VALVE BS-200 900 120

...
13

...
14
*PLUG ASSEMBLY BS-200 500 040

...
15
*CASING BOLT ASSEMBLY BS-203 000 100


...
17
*BOLT, Socket, M8x35 BS-203 000 400

...
18
*SEAL WASHER BS-203 100 210

...
19
*BOLT, Hex BS-203 000 040

...
20
*FRAME (Black) BS-200 101 320

...
21
*BOLT, Hex BS-203 000 070

...
22
*NUT, Flange BS-203 200 010

...
23
*PACKING, Cap BS-200 900 100


...
25
*PACKING, Cap BS-200 900 090



...

...
29

...
30
*HOSE BAND BS-201 000 020

...
31
*PACKING, Coupling BS-200 900 030

...
32
*HOSE COUPLING BS-200 500 030

...
33
*HOSE COUPLING HANDLE BS-200 500 020

...
34
*HOSE BAND BS-201 000 030

...
35
*PACKING, Coupling BS-200 900 040

...
36
*HOSE COUPLING BS-200 500 140

...
37
*HOSE COUPLING HANDLE BS-200 500 150

...
38
*STRAINER BS-201 200 020
...
...
...
...
...
Processing