Welcome,
My Cart
0 item(s)

Models

Parts


product name

071020-0 Briggs and Stratton Transfer System 100 Amp Automatic Transfer Switch w/ACCM2-MLD

Model: 071020-0

Save
Part Not Listed?Part Not Listed?
product name

Automatic Transfer Switch

...
...
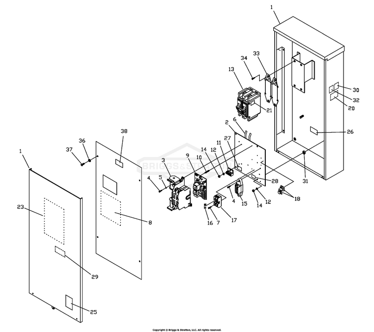
1
Assy, Enclosure BS-~NSP

...
2
Back Panel BS-~NSP

...
3
CONTACTOR, 100A BS-314865GS

...
6
Wire, Copper BS-193689GS

...
8
Insulation, Dead Front BS-193664GS

...
9
Control, Board BS-197279GS

...
10

...
11
TERMINAL, GROUND BS-84006973

...
13
BREAKER, Circuit, 100A BS-311318GS

...
15
Terminal, Neutral (Incl. Ref. No. 4 and bonding screw) BS-192696GS

...
16

...
17
Fuse Holder BS-192151GS

...
18
Clip, Latching Wire BS-197355GS

...
20
Decal, CT Warning BS-196355GS

...
21
Decal, Connection, Utility BS-B5106GS

...
23
Decal, 100A, ATS BS-196520GS

...
25
Decal, Warning Shock BS-205395GS

...
26
Decal, Fuse BS-190984GS

...
27
Decal, Ground BS-B4986GS

...
28
DECAL SHEET-WARNINGS BS-704418

...
29
Decal, Breaker, Circuit BS-193450GS

...
30
Decal, Contacts Rating BS-197294GS

...
31
NUT, HEX, 3/8-16 BS-703577

...
32
DECAL SHEET-WARNINGS BS-704420

...
33
Bracket, Circuit Breaker BS-192770GS

...
38
DECAL SHEET-WARNINGS BS-704420

...
xx
Current Transformer BS-195728GS

Wiring Diagram - Transfer Switch

...

No Parts Available for this Schematic

Wiring Schematic - Transfer Switch

...

No Parts Available for this Schematic

...
...
...
...
...
Processing