Welcome,
My Cart
0 item(s)

Models

Parts


product name

030278-0 Briggs and Stratton Portable Generator ProMax 2600 Continental

Model: 030278-0

Save
Part Not Listed?Part Not Listed?
product name

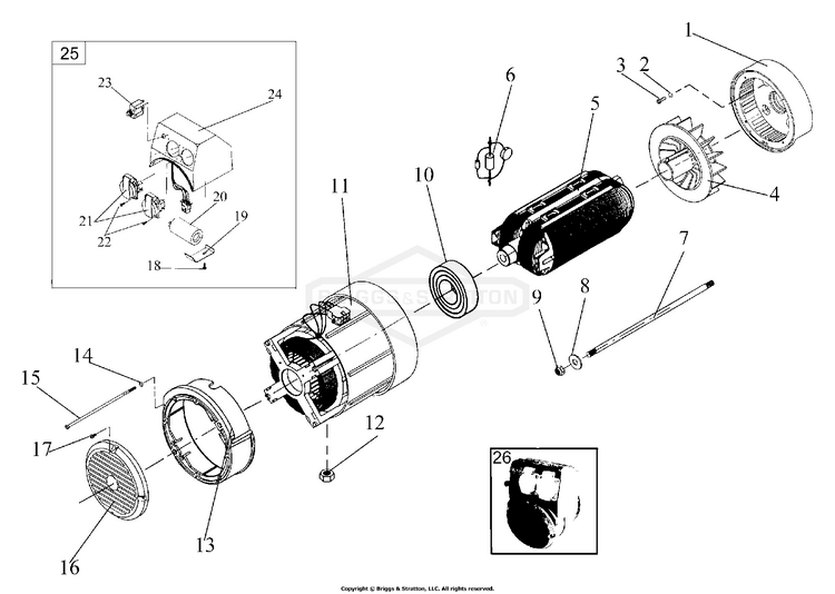
Alternator & Outlet Panel

...
...
1
FLANGE ALTERNATOR BS-102059GS

...
2
WASHER SPRING M8 & 5/16" BS-~NSP

...
3
SCREW SET 5/16" UNF X 3/4" BS-~NSP

...
4
FAN ROTOR SINCRO R80 BS-102046GS

...
5
ROTOR SINCRO R80 BS-102056GS

...
6
KIT-CAPACITOR DIODE & VAR BS-B4916GS

...
7
ROTOR BOLT 195MM BS-102057GS

...
8
WASHER FLAT M8 & 5/16" BS-~NSP

...
9
NUT NYLOCK M8-1.25 TYPE T BS-~NSP

...
10
BEARING ROTOR BS-102063GS

...
11
STATOR ASSY SINCRO R80 BS-103241GS

...
12
NUT FLANGE M8-1.25 BS-~NSP

...
13
COWLING ALTERNATOR R80 BS-102060GS

...
14
WASHER FLAT M5 BS-~NSP

...
15
BOLT STATOR M5*204MM BS-102088GS

...
16
END COVER ALTERNATOR R80 BS-102061GS

...
17
SCREW SELF TAP3.9 * 9.5MM BS-~NSP

...
18
SCREW SELF TAPPPHD #8*5/8" BZP BS-~NSP

...
19
CAPACITOR CLIP R80 BS-102082GS

...
20
CAPACITOR 16UF BS-102053GS

...
21
SOCKET OUTLET G/S BS-102030GS

...
22
SCREW PLASTITE PPHD NO6 * 3/8" BS-~NSP

...
23
CIRCUIT BREAKER 10A BS-102132GS

...
24
OUTLET BOX BLANK SINCRO R80 CONTINENTAL BS-103140GS

...
25
OUTLET BOX COMPLETE R80 G/S BS-102095GS

...
26
ALTERNATOR SINCRO R80 G/S BS-103203GS

Exhaust And Fittings

...
...
1
GUARD MUFFLER BS-103302GS

...
2
SCREW TAPTITE M6*12 BS-710023

...
3
MUFFLER BS-103303GS

...
4
GASKET EXHAUST BS-710250

...
5
MANIFOLD, EXHAUST BS-103307GS

...
6
NUT FLANGE M8 BS-710090

...
7
BRACKET, MUFFLER BS-103301GS

...
8
SCREW SET M8-1.25 X40MM BS-102264GS

...
9
NUT FLANGE M8-1.25 BS-~NSP

...
10
SPACER 15MM BS-103234GS

...
11
VIBRATION MOUNT 32MM DIAMETER BS-102111GS

...
12
WASHER FLAT M8 & 5/16" BS-~NSP

Frame And Fittings

...
...
1
CRADLE PROMAX 2600/3500 (YELLOW) BS-103215AGS

...
2
VIBRATION MOUNT 45 DEGREE HARD BS-102031GS

...
3
VIBRATION MOUNT 45 DEGREE SOFT BS-102033GS

...
4
NUT FLANGE M8-1.25 BS-~NSP

...
5
SCREW SET BS-~NSP

...
6
WASHER SHAKEPROOF M8 INT BS-~NSP

...
7
SPACER 20MM BS-102605GS

...
8
VIBRATION MOUNT 32MM DIAMETER BS-102111GS

...
9
NUT WING M6-1.0 BS-102036GS

...
10
WASHER SHAKEPROOF 1/4" & M6 INT BS-~NSP

...
11
NUT FULL M6-1.0 BS-~NSP

...
12
LEAD EARTH ASSY 145MM BS-102050GS

...
13
SCREW SET M6-1.0X25MM PLATED BS-~NSP

...
14
SCREW SET M8-1.25X12 PLATED BS-~NSP

...
15
HEATSHIELD,PROMAX 2600/3500 BS-103248GS

...
--
DECAL CAUTION HOT (Not Illustrated) BS-102041GS

...
--
DECAL WARNING READ MANUAL (Not Illustrated) BS-102077GS

...
--
DECAL ELECTRICAL HAZARD (Not Illustrated) BS-102076GS

...
--
DECAL, PROMAX 2600 (Not Illustrated) BS-103183

...
--
DECAL GND (Not Illustrated) BS-102048GS

...
--
OWNER’S MANUAL EUROPE 25L (Not Illustrated) BS-MS5796

Fuel Tank

...
...
1
FUEL TANK, BLACK BS-103294GS

...
2
FUEL CAP BS-102090GS

...
3
SCREW SET M6-1.0X25MM PLATED BS-~NSP

...
4
WASHER REPAIR 6X20 OXY BLACK BS-102042GS

...
5
NUT LOCKING FLANGE M6-1.0MM BS-~NSP

...
6
CONNECTOR FUEL TANK BS-102699GS

...
7
CLAMP HOSE 14MM OD BS-102549GS

...
8
HOSE FUEL 5/16"ID SAE J30R7 BS-102550GS

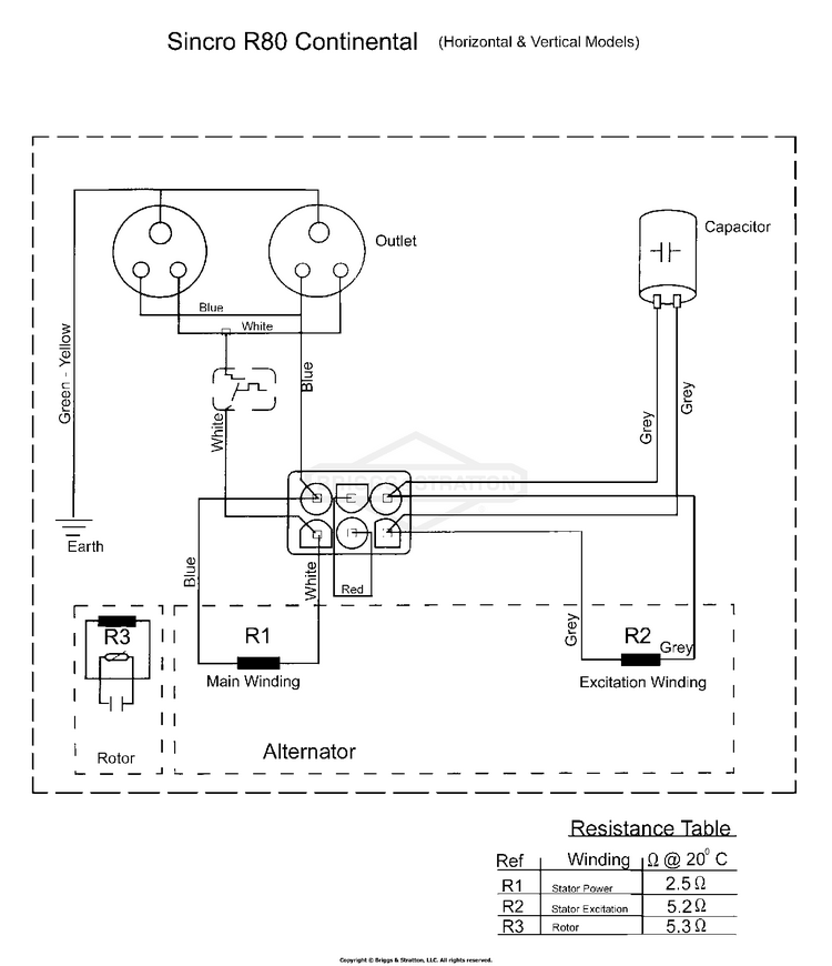
Panel Wiring Diagram

...

No Parts Available for this Schematic

...
...
...
...
...
Processing