Welcome,
My Cart
0 item(s)

Models

Parts


product name

030275-0 Briggs and Stratton Portable Generator Proplus 2600C

Model: 030275-0

Save
Part Not Listed?Part Not Listed?
product name

Alternator

...
...
1
FLANGE ALTERNATOR BS-102059GS

...
2
WASHER SPRING M8 & 5/16" BS-~NSP

...
3
SCREW SET 5/16" UNF X 3/4" BS-~NSP

...
4
FAN ROTOR SINCRO R80 BS-102046GS

...
5
ROTOR SINCRO R80 BS-102056GS

...
6
KIT-CAPACITOR DIODE & VAR BS-B4916GS

...
7
ROTOR BOLT 195MM BS-102057GS

...
8
WASHER FLAT M8 & 5/16" BS-~NSP

...
9
NUT NYLOCK M8-1.25 TYPE T BS-~NSP

...
10
BEARING ROTOR BS-102063GS

...
11
STATOR, SINCRO R80 DUAL VOLTAGE BS-103291GS

...
12
NUT FLANGE M8-1.25 BS-~NSP

...
13
COWLING ALTERNATOR R80 BS-102060GS

...
14
WASHER FLAT M5 BS-~NSP

...
15
BOLT STATOR M5*204MM BS-102088GS

...
16
END COVER ALTERNATOR R80 BS-102061GS

...
17
SCREW SELF TAP3.9 * 9.5MM BS-~NSP

...
18
SCREW SELF TAPPPHD #8*5/8" BZP BS-~NSP

...
19
CAPACITOR CLIP R80 BS-102082GS

...
20
CAPACITOR 16UF BS-102053GS

...
21
SCREW SELF TAP #10*15MM BS-~NSP

...
22
OUTLET 230V 16AMP BLUE BS-102418GS

...
23
OUTLET 115V 16AMP YELLOW BS-102419GS

...
24
OUTLET BOX BLANK (NO FITTINGS) SINCRO R80 BS-102062GS

...
25
CIRCUIT BREAKER 20A BS-102261GS

...
26
SWITCH VOLTAGE CHANGE-OVER BS-102404GS

...
27
CIRCUIT BREAKER 10A BS-102132GS

...
28
OUTLET BOX SINCRO R80 UKDV BS-102420GS

...
29
ALTERNATOR SINCRO R80 UK BS-103202GS

Exhaust And Fittings

...
...
1
GUARD MUFFLER BS-103302GS

...
2
SCREW TAPTITE M6*12 BS-710023

...
3
MUFFLER BS-103303GS

...
4
GASKET EXHAUST BS-710250

...
5
MANIFOLD, EXHAUST BS-103307GS

...
6
NUT FLANGE M8 BS-710090

...
7
BRACKET, MUFFLER BS-103301GS

...
8
SCREW SET M8-1.25 X40MM BS-102264GS

...
9
NUT FLANGE M8-1.25 BS-~NSP

...
10
SPACER 15MM BS-103234GS

...
11
VIBRATION MOUNT 32MM DIAMETER BS-102111GS

...
12
WASHER FLAT M8 & 5/16" BS-~NSP

Frame And Fittings

...
...
1
CRADLE PROCLASSIC 2600 YELLOW BS-103213GS

...
2
SCREW SELF DRILL #8*12.7 PPHD BS-~NSP

...
3
CANOPY PP2600C YELLOW BS-103251GS

...
4
NUT FLANGE M8-1.25 BS-~NSP

...
5
VIBRATION MOUNT 45 DEGREE SOFT BS-102033GS

...
6
SCREW SET HEXHD M8-1.25*35MM BS-~NSP

...
7
SPACER 20MM BS-102605GS

...
8
VIBRATION MOUNT 32MM DIAMETER BS-102111GS

...
9
NUT WING M6-1.0 BS-102036GS

...
10
WASHER SHAKEPROOF 1/4" & M6 INT BS-~NSP

...
11
NUT FULL M6-1.0 BS-~NSP

...
12
LEAD EARTH ASSY 145MM BS-102050GS

...
13
SCREW SET M6-1.0X25MM PLATED BS-~NSP

...
14
VIBRATION MOUNT 45 DEGREE HARD BS-102031GS

...
15
WASHER SHAKEPROOF M8 INT BS-~NSP

...
16
SCREW SET M8-1.25X12 PLATED BS-~NSP

...
--
DECAL WARNING READ MANUAL (Not Illustrated) BS-102077GS

...
--
DECAL ELECTRICAL HAZARD (Not Illustrated) BS-102076GS

...
--
DECAL CAUTION HOT (Not Illustrated) BS-102041GS

...
--
DECAL PROPLUS 2600C (Not Illustrated) BS-103180GS

...
--
DECAL GND (Not Illustrated) BS-102048GS

...
--
OWNERS MANUAL EURO-25L PORTABLE GENERATOR (Not Illustrated) BS-MS5796

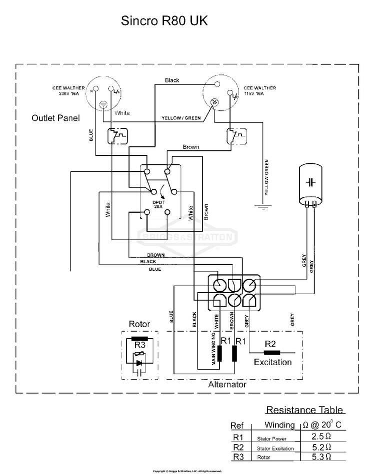
Panel Wiring Diagram

...

No Parts Available for this Schematic

...
...
...
...
...
Processing