Welcome,
My Cart
0 item(s)

Models

Parts


product name

030260-0 Briggs and Stratton Portable Generator HandyGen 2600 Continental

Model: 030260-0

Save
Part Not Listed?Part Not Listed?
product name

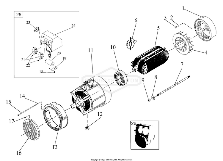
Alternator & Outlet Panel

...
...
1
FLANGE ALTERNATOR BS-102059GS

...
2
WASHER SPRING M8 & 5/16" BS-~NSP

...
3
SCREW SET 5/16"UNF X 3/4" BS-~NSP

...
4
FAN ROTOR SINCRO R80 BS-102046GS

...
5
ROTOR SINCRO R80 BS-102056GS

...
6
KIT-CAPACITOR DIODE & VAR BS-B4916GS

...
7
ROTOR BOLT 195MM BS-102057GS

...
8
WASHER FLAT M8 & 5/16" BS-~NSP

...
9
NUT NYLOCK M8-1.25 TYPE T BS-~NSP

...
10
BEARING ROTOR BS-102063GS

...
11
STATOR ASSY SINCRO R80 BS-103241GS

...
12
NUT FLANGE M8-1.25 BS-~NSP

...
13
COWLINGALTERNATOR R80 BS-102060GS

...
14
WASHER FLAT M5 BS-~NSP

...
15
BOLT STATOR M5*204MM BS-102088GS

...
16
END COVER ALTERNATOR R80 BS-102061GS

...
17
SCREW SELF TAP3.9 * 9.5MM BS-~NSP

...
18
SCREW SELF TAPPPHD #8*5/8" BZP BS-~NSP

...
19
CAPACITOR CLIP R80 BS-102082GS

...
20
CAPACITOR 16UF BS-102053GS

...
21
SOCKET OUTLET G/S BS-102030GS

...
22
SCREW PLASTITE PPHD NO6 * 3/8" BS-~NSP

...
23
CIRCUIT BREAKER 10A BS-102132GS

...
24
OUTLET BOX BLANK SINCRO R80 CONTINENTAL BS-103140GS

...
25
OUTLET BOX COMPLETE R80 G/S BS-102095GS

...
26
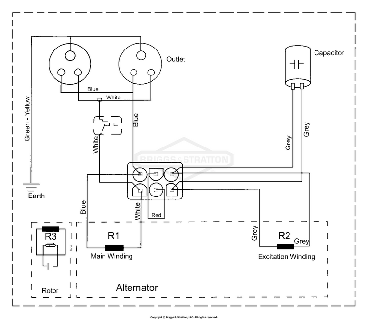
ALTERNATOR SINCRO R80 G/S BS-103203GS

Alternator Wiring Diagram

...

No Parts Available for this Schematic

Frame, Fuel Tank and Fittings

...
...
1
CRADLE, HANDYGEN 2600 / 3400 BS-103195GS

...
2
HANDLE- FOLD DOWN BS-102852GS

...
3
GRIP 3/4" HANDLE BLACK BS-102465GS

...
4
FERRULE PLASTIC PLUG 3/4" TUBE BS-102467GS

...
5
SCREW SET M6-1.0X25MM PLATED BS-~NSP

...
6
WASHER SHAKEPROOF 1/4" & M6 INT BS-~NSP

...
7
NUT FULL M6-1.0 BS-~NSP

...
8
LEAD EARTH ASSY 145MM BS-102050GS

...
9
NUT WING M6-1.0 BS-102036GS

...
10
SCREW SET M8-1.25X12 PLATED BS-~NSP

...
11
WASHER SHAKEPROOF M8 INT BS-~NSP

...
12
VIBRATION MOUNT 45 DEGREE SOFT BS-102033GS

...
13
VIBRATION MOUNT 45 DEGREE HARD BS-102031GS

...
14
NUT FLANGE M8-1.25 BS-~NSP

...
15
SCREW SET BS-~NSP

...
16
WASHER M10 FORM C OXY-BLACKENED BS-102547GS

...
17
WHEEL 5.5" OD 1" WIDE BS-102853GS

...
18
AXLE, HANDYGEN 2600 / 3400 BS-103196GS

...
19
NUT LOCKING FLANGE M6-1.0MM BS-~NSP

...
20
CLEAT: 10MM CABLE-M6 BS-102855GS

...
21
SCREW MACHINE HXHD M6-1.0X20MM BS-~NSP

...
22
SPACER 20MM BS-102605GS

...
23
VIBRATION MOUNT 32MM DIAMETER BS-102111GS

...
24
SPACER 32MM*9MM*15MM BS-103234GS

...
25
NUT FLANGE M8 BS-710090

...
26
BRACKET, MUFFLER, MOUNTING BS-103296GS

...
27
NUT, HEX BS-103310GS

...
28
LOCKWASHER, HELICAL SPRING BS-103311GS

...
29
LOCKNUT BS-691105

...
30
WASHER, 5/16" LOCK BS-5025170SM

...
31

...
32
MANIFOLD BS-707075

...
33
GASKET BS-710250

...
34
MUFFLER BS-103303GS

...
35
MUFFLER GUARD BS-103302GS

...
36
SCREW TAPTITE M6*12 BS-710023

...
--
DECAL ELECTRICAL HAZARD (Not Illustrated) BS-102076GS

...
--
DECAL GND (Not Illustrated) BS-102048GS

...
--
DECAL HANDYGEN 2600 (Not Illustrated) BS-103173GS

...
--
DECAL CAUTION HOT (Not Illustrated) BS-102041GS

...
--
DECAL WARNING READ MANUAL (Not Illustrated) BS-102077GS

...
--
OWNERS MANUAL EURO-25L PORTABLE GENERATOR (Not Illustrated) BS-MS5796
...
...
...
...
...
Processing