Welcome,
My Cart
0 item(s)

Models

Parts


product name

030239-0 Briggs and Stratton Generator 2,000 Watt

Model: 030239-0

Back To Assemblies

Save
Part Not Listed?Part Not Listed?
product name

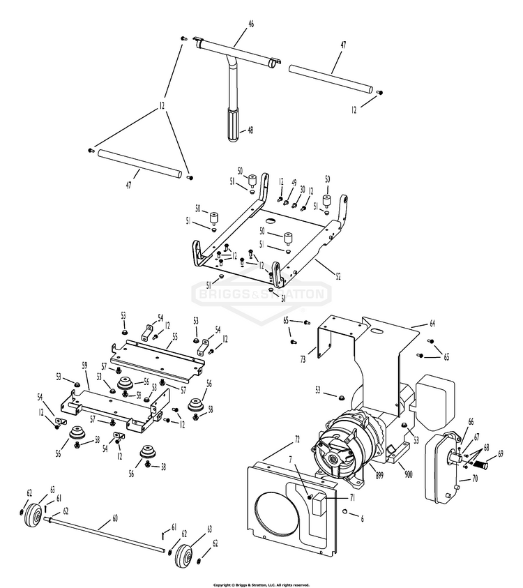
Main Unit (Part 2)

...
...
6
NUT, M4, FLNG BS-187761GS

...
7
SCREW, M4X12 BS-187760GS

...
12
BOLT, M6X16 BS-197860GS

...
30
SCREW, M4X12, SLFTAP BS-197863GS

...
46

...
47
HNDL,TUBE BS-197835GS

...
48
GRIP, HNDL BS-197867GS

...
49

...
50
MNT,VBRTN,TANK BS-197838GS

...
51
NUT, M6, FLNG BS-197861GS

...
52
ASSY, HTSHLD,TANK BS-200231GS

...
53
NUT, M8, FLNG BS-187401GS

...
54
BRCKT, PNL BS-197848GS

...
55
BASE, ENG BS-197846GS

...
56
MNT,VBRTN BS-197851GS

...
57
BOLT, M8X35, FLNG BS-197857GS

...
58
BOLT, M8X16, FLNG BS-197858GS

...
59
ASSY, BASE,ALT BS-200230GS

...
60

...

...
62
WSHR, FLAT BS-197868GS

...

...
64
HTSHLD, MFFLR BS-197839GS

...
65
BOLT, M5X12, FLNG BS-197859GS

...
66
SCREW, M3-8, SLFTAP BS-197880GS

...
67
PIPE,TAIL BS-197878GS

...
68
SCREW, M4X16 BS-197879GS

...
69
ARRSTR, SPARK BS-197877GS

...
70

...
71
CONDENSOR, 350V BS-197856GS

...
72
HTSHLD,ALT BS-197841GS

...
73
BRCKT, HTSHLD BS-197840GS

...
MANUAL, Owners Not Illustrated BS-197561GS

...
BOTTLE, Oil Not Illustrated BS-100005
...
...
...
...
...
Processing