Welcome,
My Cart
0 item(s)

Models

Parts


product name

01938-0 Briggs and Stratton 10,000 Watt Home Generator System

Model: 01938-0

Back To Assemblies

Save
Part Not Listed?Part Not Listed?
product name

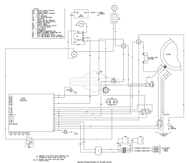
Wiring Diagram - Standby Generator

...

No Parts Available for this Schematic

...
...
...
...
...
Processing